Что-то не так?
Пожалуйста, отключите Adblock.
Портал QRZ.RU существует только за счет рекламы, поэтому мы были бы Вам благодарны если Вы внесете сайт в список исключений. Мы стараемся размещать только релевантную рекламу, которая будет интересна не только рекламодателям, но и нашим читателям. Отключив Adblock, вы поможете не только нам, но и себе. Спасибо.
Как добавить наш сайт в исключения AdBlockПараметры
Почта
Присылать не чаще, чем раз в
Другие категории
Реклама
Трансиверы КВ
(319)Трансиверы КВ - Icom, Yaesu, Kenwood, Ten-Tec, Flex, Elecraft, SunSDR, а также самодельного производства. См. также Как узнать дату выпуска трансивера по серийному номеру
Читать далее- Elecraft 8
- SunSDR 11
- Ten-Tec 6
- Россия/СНГ 10
- сортировка:
- по дате сначала дорогие сначала дешевые
Продаю ELECRAFT K3 с панорамой colibri-nano, Всё работает как надо. Внешне-без замечаний,. Внутри-чисто, без паек. Набор: 110Вт, автотюнер, все платы и разъёмы сзади, плюс платка буфера для панорамы, фильтры-2. 8кгц(SSB), 400гц(CW). Хватает вполне. Панорама-отличная, без дерганий и прочего( SDR COLI ...
СофриноTactical Manpack Transceiver Barrett 2040 Rx 500 кГц-30 МГц, Tx 1. 6-30 МГц; LSB, USB, CW, AM, FSK. Pвых = 30 Вт от Li-ion АКБ 10 а/ч и 125 Вт - от внешнего БП. Встроенный авт. тюнер, DSP, NB. В комплекте: - трансивер; - Li-ion АКБ 10 А/ч; - зарядка с комплектом кабелей (от 220В и от 12 В); ...
Сергиев ПосадПродам Японский Трансивер Kenwood TS-890S 100W, почти новый защитное стекло наклеена +. speaker sp-890 прошивка последняя 1. 07.
Изобильный
Продаю мобильный комплект в составе: трансивер FT857D с установленными фильтрами YF-122S SSB фильтр на 2, 3 кГц, YF-122CN CW фильтр 300 Гц + комплект для выноса передней панели YSK-857+ тюнер МАТ30 + антенна Yaesu Y007. Торг.
МоскваПродам трансивер Flex - 5000 A в рабочем состоянии. Документация в комплекте.
МичуринскYaesu FT‑991 — это вседиапазонный КВ+УКВ трансивер (приёмник‑передатчик) Ключевые параметры: Диапазоны частот: приём: 0, 03–470 МГц (включая КВ, 6 м, 2 м и 70 см); передача: КВ (1, 8–29, 7 МГц), 50–54 МГц, 144–148 МГц, 430–450 МГц. Режимы работы: SSB, CW, AM, FM, цифровые режимы (включая C4FM / ...
Виноградный
В хорошие руки для восстановления. Требуется: 1) Замена дисплея 2) Чувствительность приемника 3) Прохваты валкодера. Один хозяин, трансивер не копаный. В комплекте: Трансивер, тангента НМ-36, кабель питания.
СургутHamGeek RS-998 100W HF + UV, все режимы, трансивер постоянного тока, мобильное радио, SDR трансивер, Куплен: 23. 10. 2023, один хозяин, изготовлен в Китае. STM32 FW ver: 9. 2. 1 FPGA FM ver: 8. 2. 0 Описание: HamGeek RS-998 100 Вт ВЧ + УФ Все режимы DDC/DUC Приемопередатчик Мобильное радио S ...
ЭнгельсLPF UNIT 6000 рублей RX2 UNIT 5000 рублей DDS A/B Unit 3000 рублей LOCAL UNIT 5000 рублей Лицевая панель в комплекте 8000 рублей RF UNIT 5000 рублей IF UNIT в комплекте с кварцевыми фильтрами 12000 рублей BPF UNIT 2500 рублей AF UNIT 6000 рублей Трансформатор 4000 рублей Торг уместен.
Усть-Каменогорсктрансивер Yaesu FTX-1 Field в наличии версия американская. трансивер Yaesu FTX-1 Field ( с C4FM) обеспечивает непрерывное широкополосный прием от 30 кГц до 174 МГц и от 400 МГц до 470 МГц, включая SWL, FM-вещание и авиадиапазон (всеми видами модуляции) передатчик: ·6 Вт (5 Вт для QRP ...
Сакитрансивер Yаesu FТ-710 Field (USA версия) каждому покупателю- подарок чехол! в наличии новые выпуск ноябрь-декабрь 2025 года этo вaриaнт сeрии FТ-710, пpеднaзнaчeнный для рaбoты и дома в шеке и в полевых условиях. Для экoномии вeса и цeннoго места динамик SР-40 нe входит в комплект постaвки, ...
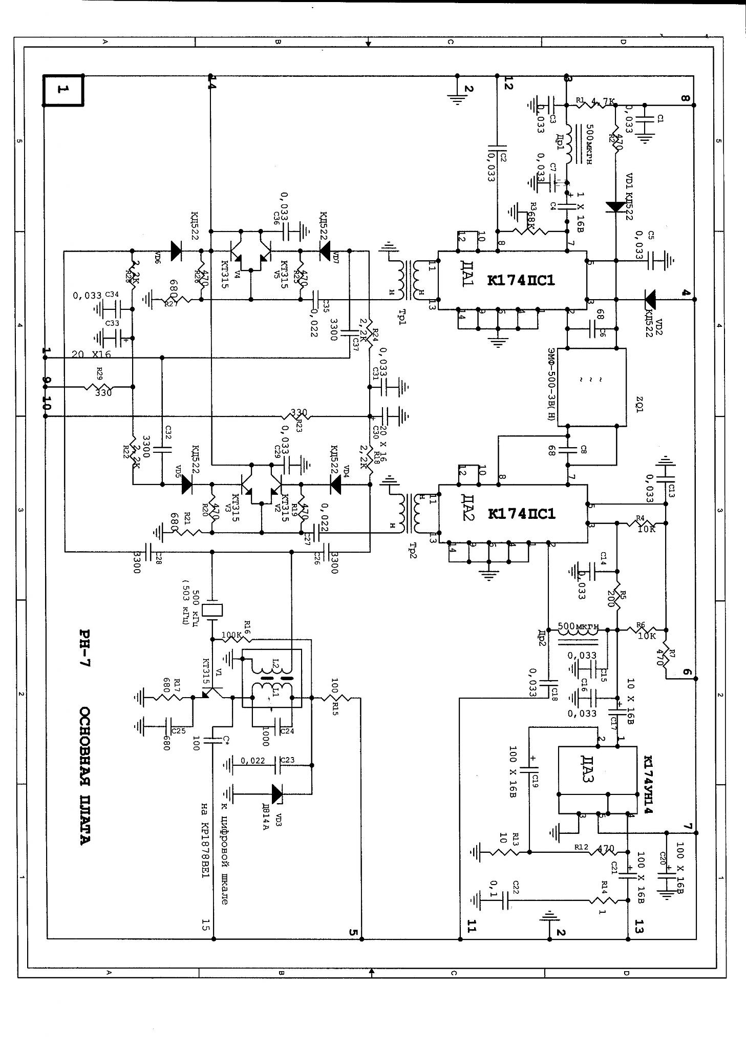
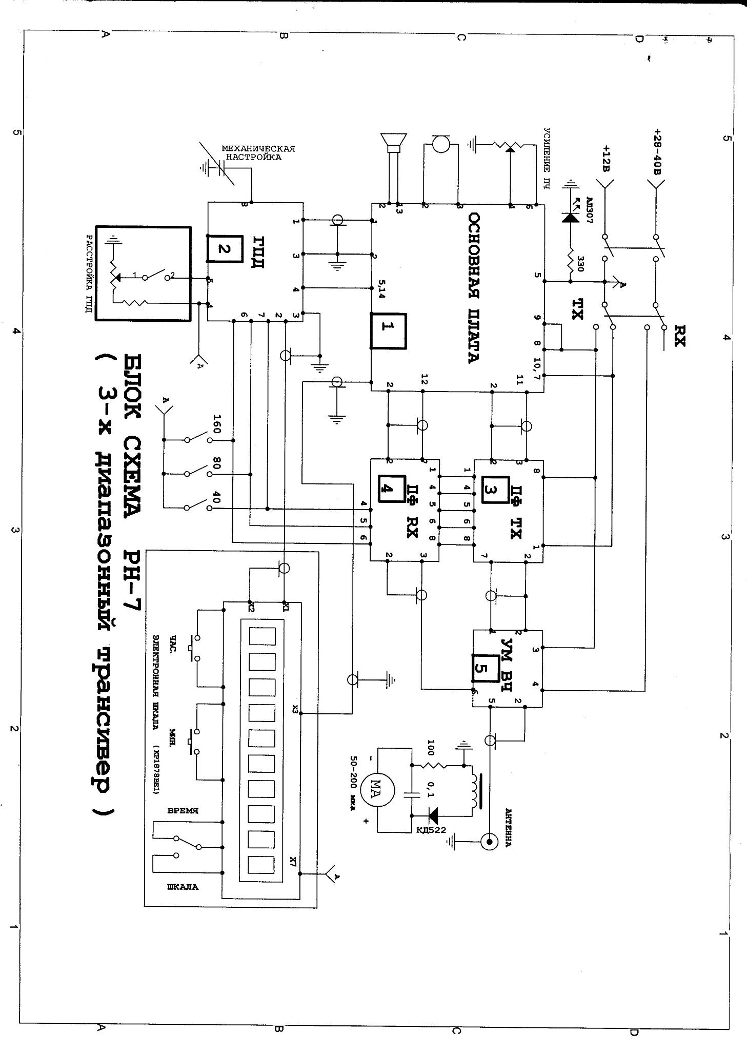
СакиПродам набор для постройки трансивера дружба-м все основные железки для построения есть. Где то была еще плата стабилизатора и силовой трансформатор. Цена за все 12000 руб. Отправка Яндексом или сдеком за счет покупателя.
Воронеж
куплю гпд и комплект полосовых фильтров (один для приема второй передача коммутация рэс 47 12в) для трансивера аматор кф. цена договорная. стартовая 3000 руб. Рассмотрю вариант недостроенный вариант без основной платы в небольшом секционном корпусе можно без жгутов и межблочного монтажа высота корпу ...
ВоронежТрансивер Маламут 1 вариант. Одноплатный. Дисплей 3, 2 дюйма. Выходная мощьность 20 вт. Работает на всех диаппазонах. Возможно онлайн видео работы в максе. Задавайте вопросы. Цена 35 т. р.
КузнецкПродам трансивер YAESU 850 S с усилителем на двух лампах ГИ-7БТ. Версия трансивера 25 ватт. Тюнер. Состояние трансивера очень хорошее. как внешне так и внутри. Установлен отличный фильтр по SSB. Отличный сигнал на передачу не раз отмечали корреспонденты. Простой аппарат для души пообщаться з ...
УфаIC 775 dsp в хорошем состоянии. Отличный сигнал на передачу и отличный приемник. Блок питания внутри трансивера, микрофон инструкция на русском языке 200 ватт на всех диапазонах. Не копаный все родное. Вопросы на эл. почту,, Max, телефон.
ЧелбасскаяПродам трансивер 2011 года выпуска, второй хозяин, первый был UA4LL Перед продажей прошел обслуживание у R4KO. Аппарат в рекламе не нуждается. Полностью готов к использованию. Родная коробка, шнуры, тангента. Есть вопросы - пишите, звоните. Отправлю.
КазаньПродам обменяю трансивер. Проблем ни каких. Отличный приемник как в кв так и укв. Панорама / Огромное меню на любой вкус. В комплекте шнур питания, тангетка, описание на русском языке. Родная коробка. Обмен на укв двух диапазонное радио FT-8800 или подобное ( не китай ) с вашей доплатой. Либо н ...
УфаПредлагаю! SDR трансивер Malamute M2 16 bit усилитель 30-35 Вт с радиатором. Диапазон 0. 5.. 30 мГц, прием/передача в режимах AM/FM/SSB/CW. Цифровые виды связи с использованием внешнего ПК с подключением к трансиверу через USB кабель. 8 цифровых DSP фильтров устанавливаемых через меню пользова ...
КазаньПродам трансивер Ts-520v. Питание автотрансформатор 220v. Есть диапазон 160м. Лампы родные. Состояние рабочее. 100вт. Вопросы по телефону. Могу загрузить видео обзора трансивера и связи. Ватсап, электронная почта. Торг.
ВоронежПродаются опциональные фильтра для трансиверов Ten Tec Orion: 1. 2. CW фильтр на 600Гц. -8т. р. 3. CW фильтр на 250Гц(INRAD). - 7т. р.
КазаньПродаю трансивер кв Kenwood TS820. Хозяин умер. Трансивер стоял в гараже. Продаётся как не рабочий. Под восстановление или на запчасти. Крышек нет. При включении индикация горит. На частотомере индикации нет. В динамике шум тихий. Но не ловит станции. Есть вопросы пишите звоните. Пересылка за мой сч ...
ЕнакиевоПродается. Трансивер в норм. раб. сост. Установлен набор опционных узкополосных фильтров. внешне на 3+. есть потертости на корпусе. Мануала нет, коробки родной нет. Мic настольный шура. Продается по не надобности.
ДжанкойПродам. Трансивер в комплектом сост. Есть rx, tx. Продается как не рабочий, без претензий и возврата. Связь тлг. ватсап.
ДжанкойОбменяю на трансивер ( усилитель, радиоприёмник ), автомагнитолу андроид, с приличными параметрами и соответствующими ей наворотами. Новая, не дешовая, не использовалась. Ставиться в любое авто, через сответствующую рамку. Обмен на КВ технику и сопутствующие приборы, можно с неисправностями.
Нижний Новгород
Обменяю Yaesu FT 991 A M. В состоянии нового Коробка все в комплекте. Стоял запасным. Хочу покрутить Acom 7300. В хорошем состоянии. Буква М означает 50 ват.
МайкопПродам недоделанный трансивер мини ес с синтезатором rd3ay. Вопросы в личных сообщениях. Цена 12 тр.
ВоронежВсе отлично, не прокурен, внешний вид достойный, украсит ваш шэк. Работает штатно, использовался в CW. Свои 200 Вт выдает. Причина продажи - сломали, скинули с крыши антенну. Цена самая дешевая по России - БЕЗ ТОРГА. Нахожусь в Новом Петергофе. На письма не отвечу, звоните.
Санкт-ПетербургПродам кв трансивер Kenwood TS-570M в хорошем состоянии. Все работает. Рaскрыт нa пеpедачу по вcем диaпaзонaм и мощностью 100 ватт. Вcтроенный автo тюнеp, два aнтeнныx вxoдa, гoлубaя пoдcвeткa диcплея. Комплектация: трансивер, провод питания, тангента.
ТопкиFLEX 8600M . .. .. .. Отличное состояние.. .. .. Защитная пленка на дисплее.. .. .. Царапин и пр.. . - нет.. .. Комплектация полная - (2-я коробка и аксессуары).. .. Бережное отношение,. .. .. . Домашняя эксплуатация.. .. . Не перепродажа.. .. . - Все параметры супер.. .. .. крайняя прошивка v4. 1. ...
КаспийскПродаю FT-1000MPMARKV FIELD в отличном состоянии заводская комплектация все в комплекте. на обоих валкодерах нет даже микро-люфта без царапин и потертостей глаз радует. По тех-части все работает. бУДУ РАД ЧТОБ ПРИЕХАЛИ ВСЕ ПРОВЕРИЛИ. сМОГУ ОТПРАВИТЬ сдэк В НАДЕЖНОЙ УПАКОВКЕ.
Омск
Продаю FT-950 (единственный владелец приобретался в Тангента. ru)в стандартной комплектации, без упаковки, + блок питания VEGA 13, 8 x 25A +переходник к гарнитуре heil + кабель для управления с компьютера. Домашнего использования. Идеально настроен для работы в SSB. Не ремонтировался и недорабатывал ...
МоскваПредлогаю японский вседиапазонный(кв/укв) трансивер Yaesu FT 767 GXX. Все Кв диапазоны+50 Мгц -100вт. Укв 144/430-10вт. Встроенный блок питания на 220в. В хорошем техническом и внешнем состоянии. Комплектация - шнур питания/тангента/родная упаковка. Смогу отправить в Ваш адрес(хорошо упаковав)
ПензаПродам трансивер YAESU FT991A в комплекте тангента шнур питания заводская упаковка Вышлю Сдек
Абдулинопродам профи трансивер вертекс (фт 600) в хорошем состоянии ! не ковыряный не битый 100ватт ! трансивер переведен в радиолюбительский режим!для удобства работы с усителем переключен на пониженую мощность 50ватт! в комплекте тангента и шнур питания и родная упаковка!
Сызрань
Продаю трансивер Тюльпан DSP, в комплекте кабель питания и кабель подключения к компу
ТеплоеПродам трансивер Волк КТ-100S. Приобретен в "Радиолавке КВ и УКВ", мелкосерийная партия. Краткие характеристики: 16bit, экран - 7", 100W, гарнитура Kenwood MC-43S, имеется место для установки УКВ платы (дополнительная опция приобретается и устанавливается самостоятельно), диапазон RX/TX - 0 - 60 MHz ...
ИстраKENWOOD TS-50 HF + AT-50 Antenna Tuner, 100 ватт в хорошем рабочем состоянии, в комплекте микрофон, шнур питания, шнур к тюнеру. В цену включена отправка в ваш регион. Продаю по просьбе другого радиолюбителя, все вопросы пожалуйста на WhatsApp или MAX.
ВладивостокПредлагаю полный комплект для самостоятельной сборки трансивера Вольф. Основная SDR плата с фронтальной и дисплеем 7 дюймов полностью собрана на заводе, работает, все управляется. Остается дособрать ВЧ блок RF-UNIT-GIG-RU4PN. Все детали в комплекте, включая выходные транзисторы, радиатор, корпус, д ...
Санкт-ПетербургПродам или обменяю трансивер icom-7800 на icom-7610 или на FTdx-101d Трансивер в хорошем рабочем состоянии.
ТольяттиПродается радиостанция в рабочем состоянии Нива -М 62РТ-0, 5-2-ОМ 1, 765мгц. Также еще две есть такие же без корпусов в рабочем состоянии. Еще есть одна вмонтирована в маленький металлический корпус, тоже в рабочем со стоянии. Все они работают на одной частоте 1, 765мгц.
Москва
#Куплю #Воронеж куплю FT-450 D c автотюнером под восстановление, цена договорная (до 16000-20000 руб. )
ВоронежОтличие коротковолновой радиосвязи заключается в значительно более высокой дальности связи по сравнению с УКВ - при использовании эффективных направленных КВ-антенн и необходимых условий прохождения радиоволн - возможно установить радиосвязь на расстоянии до нескольких десятков тысяч километров. В некоторых случаях КВ трансиверы для радиолюбителей требуют использования дополнительного оборудования - блоки питания, согласующего устройства (антенный тюнер), но в целом это весьма сбалансированное устройство по своим возможностям.
Особенностями данных приемо-передатчиков являются богатое функциональное оснащение и широкие возможности в процессе эксплуатации. Кроме того, КВ трансиверы могут работать в различных диапазонах - от низкочастотных (длина волны 160 и 80 метров) до высокочастотных 10м и 6м, в ряде случаев некоторые трансиверы снабжены УКВ диапазоном 2м
Ваше предложение отправлено